Réducteur Inverseur Technodrive TM-260 Mécanique,
Sortie Droite Ratio 2,00/1 en marche avant
(2,00 tour moteurs pour 1 tour hélice)
et 2,00/1 en marche arrière
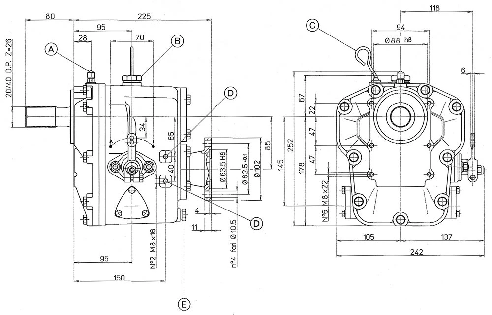
Sortie 0°
Poids: 18 kg
Capacité d’huile: 1,2 litre à plat
Type d’huile recommande: « ATF » (auto transmission fluide)
Température max: 95 °c
15° d’inclinaison maxi *
Arbre cannelé male type: SAE2040 DP Z=26
Passage de vitesse par liaison mécanique, utilisation plaisance, passage de vitesse : « opération légère »
Orientation commande horizontale ou verticale, grâce à son support de câble modulable.
Existe aussi en: Ratio 2,00/1 2,47/1 2,88/1 1,54/1
Important: les réducteurs inverseur TMC-260 en ratio 2,00/1 et 2,47/1 sont réversibles ils ont tous les deux un ratio identique pour la marche arrières: 2,00/1 et 2,47/1 Idéal pour les bi-motorisation.














Avis
Il n’y a pas encore d’avis.